
发卖:19224886408
发卖:17346546283
技术:18611287598
网络传真:010-68465926
Q Q:3226344213
油箱:info@renxingwang.com
位置:首都市海淀区大慧寺11号北区20号楼那层105室

GOLDS-10AL型激光铝水液位计
时候:2025-02-27 20:44

一、概述:
GOLDS-10AL型皮秒激光铝水液位计可以用在于对各种类型生产下的铝水液面相对高度停此测量。● 开关量(liang)、摹(mo)拟量(liang)电(dian)压或电(dian)流三(san)种旌旗灯号输入体例(li𓂃)
● 丈量精(jing)度<±2mm,分辩(bian)率1mm
● 利用白色可(ke)见激光(guang)束,丈量规模(mo)可(ke)达10米
● 四位数(shu)码显现,按键设置参数(shu),易于(yu)操纵
● 产业级外壳(qiao),规范快插接口(kou),可通(tongღ)紧(jin)缩氛围冷(leng)却
二、手艺数据:
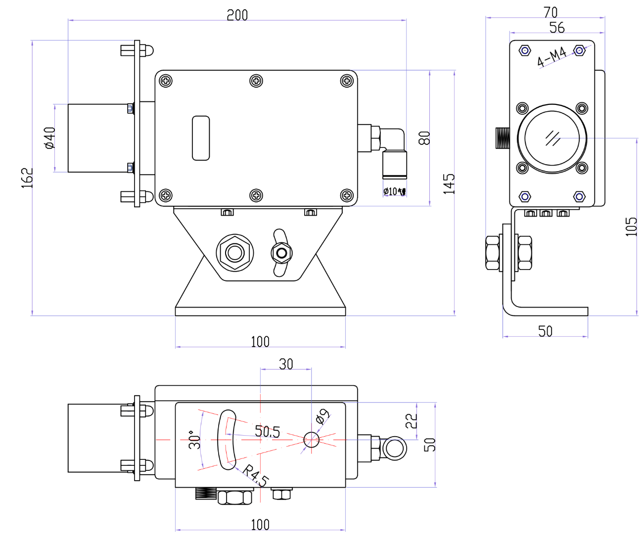
三、形状尺寸:
四、可选附件:



