
发卖:19224886408
发卖:17346546283
工艺:18611287598
传真机:010-68465926
Q Q:3226344213
邮箱账号:info@renxingwang.com
具体地点:成都市海淀区大慧寺11号北区20号楼一楼105室


一、概述:
HMLDM-SJ20HT-PN型高温激光行业测距仪专门应用于高温粉末状、液态物质的道德水准、尽寸、宽度的勘界。所经步骤profinet通信网体例将统计数据文件传输致上位我们身体系。● 丈(zhꩵang)(zhang)量(liang)低温(wen🎃)物体(ti),能(neng)坚(jian)持很高的(de)丈(zhang)(zhang)量(liang)精度和靠得住性(xing)
● 丈量(liang)精度±1mm,分辩率0.1mm
● 利用白(bai)色可见(jꦚian)激(ji)光束,丈量(liang)规(gui)模可达20米(mi)
● 规范的profinet接口,矫捷靠(kao)得住
● 不锈钢外壳,可通水(shui)、气停止冷却
二、手艺数据:
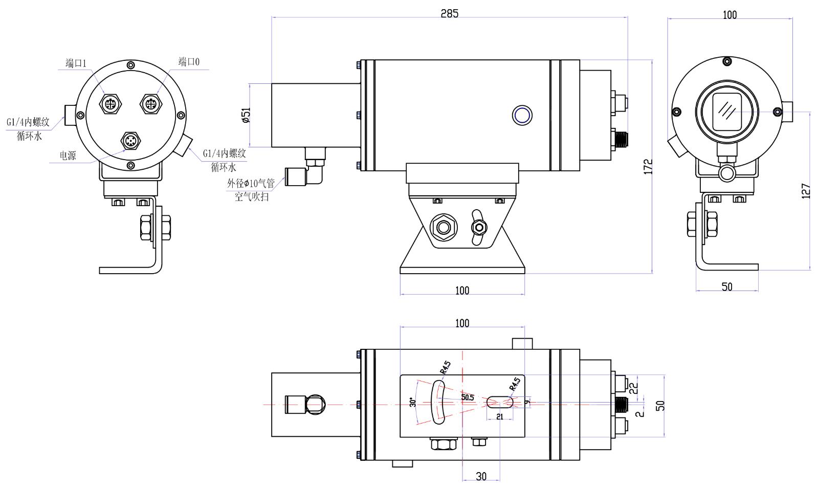
三、形状尺寸:
四、可选附件:



