
发卖:19224886408
发卖:17346546283
学手艺:18611287598
传真号码:010-68465926
Q Q:3226344213
邮件:info@renxingwang.com
具体地点:天津市海淀区大慧寺16号北区20号楼一次105室

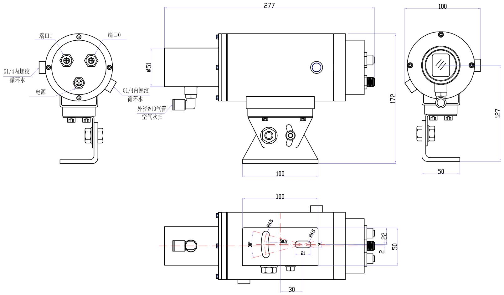
HMLDM-DM20HT-PN型低温激光测距仪
时候:2025-11-22 06:41

一、概述:
HMLDM-DM20HT-PN型冷藏激光手术测距仪专门使用于冷藏固态物体、液状体的作用、寸尺、极高的精确测量。经途流程profinet通信网体例将数据文件发送高于一切位神经细胞系。● 丈(zha🍌ng)(zhang)量(liang)(liang)低温物体,能坚持(chi)很高的(de)丈(zh𒅌ang)(zhang)量(liang)(liang)精度和靠得住性
● 丈量精度(du)<±1mm,分(💝fen)辩(bian)率0.1mm,反复性±0.5mm
● 利用(yong)白色可见激光束,丈量规模(mo)可达30米
● 规范的profinet接口,矫捷靠得住
● 不锈钢外壳,可通水(shui)、气停(ting)止冷却(que)
二、手艺数据:
三、形状尺寸:
四、可选附件:



