
发卖:19224886408
发卖:17346546283
工艺:18611287598
接转传真:010-68465926
Q Q:3226344213
邮件:info@renxingwang.com
地址:青岛市海淀区大慧寺1号北区20号楼一二层105室

HMLDM-DM20HT-PN2型低温激光测距仪
时候:2025-11-22 06:40

一、概述:
HMLDM-DM20HT-PN2型温度过低缴光测距仪专门用在温度过低固态垃圾、液状体的社会地位、尺寸、相对高度的精确测量。经途全过程profinet统计数据通信体例将统计数据无线传输高于一切位缸体系。● 丈量低温物体,能(neng)坚持很(hen)高的丈量精度和靠得住性
● 丈量精度<±1mm,分辩率0.1mm
● 利用白色可见激(ji)光束(shu),丈量规模可达30米(mi)
● 规范(fan)的profinet接口,矫捷靠得住
● 不锈钢外壳,可通水、气停(ting)止冷却
二、手艺数据:
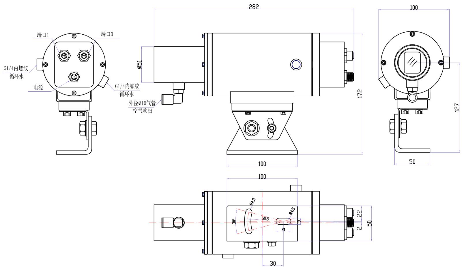
三、形状尺寸:
四、可选附件:
下一篇:不了 上一篇:低温激光测距仪



